家具表面漆膜光澤度測定法
來源:林上科技 發布時間:2018/02/27 11:41 瀏覽:4864
《家具表面漆膜光澤度測定法》GB T 4893.6適用于測定木材家具及其它家具木制件表面漆膜的光澤。推薦使用林上60°光澤度測量儀進行測定。
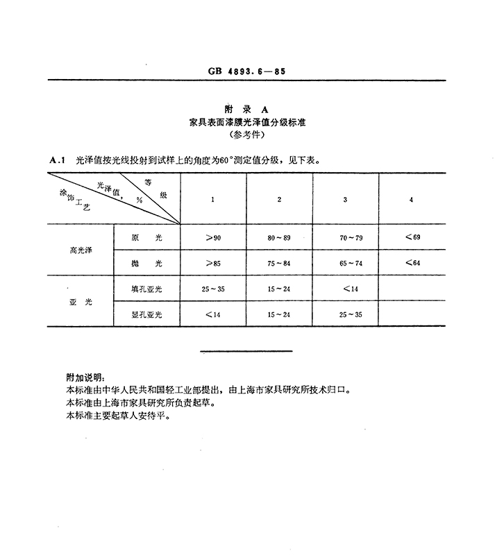
《家具表面漆膜光澤度測定法》GB T 4893.6適用于測定木材家具及其它家具木制件表面漆膜的光澤。采用60°光澤度測量儀,光澤值是以漆膜表面的正反射光量與同一條件下標準板的正反射光量之比的百分數表示。具體文件見下圖:


《家具表面漆膜光澤度測定法》GB T 4893.6中有指出測量用的光澤度測量儀需要為60°光澤度測量儀。推薦使用林上60°光澤度測量儀,林上60°光澤度測量儀符合國家一級機標準,測量數據精準無誤。更多與林上60°光澤度測量儀相關的內容,請參數《林上光澤度測量儀-唯一的不同就是處處不同》。
- 上一篇:用數字光澤度計測量木材光澤度
- 下一篇:塑料光澤度儀的選擇
相關文章鏈接
- 玻璃門最佳厚度是多少?玻璃測厚儀檢測玻璃門具體厚度! 2020-04-15
- 紫外線燈管強度監測判斷標準及方法 2020-02-20
- 多用途的玻璃透光率測試儀 2018-08-06
- 透光率測定儀測量透明包裝薄膜的透光率 2017-07-18
- 真空玻璃和中空玻璃的區別 2017-05-03
- 光澤度測量儀使用方法及光澤度測量儀注意事項 2015-11-23